おかげさまで開設25周年ACMECORE.CO 創業祭

ACMECORE.CO

詳しくはこちら
マイストア マイストア 変更
  • 即日配送
  • 広告
  • 取置可能
  • 店頭受取

HOT ! Recca demoCDセット Amazon.com: Numark MP302 Rack-Mount Dual MP3/CD Player

※ACMECORE.CO 限定モデル
YouTuberの皆様に商品の使い心地などをご紹介いただいております!
紹介動画はこちら

ネット販売
価格(税込)

8410

  • コメリカード番号登録、コメリカードでお支払いで
    コメリポイント : 6ポイント獲得

コメリポイントについて

購入個数を減らす
購入個数を増やす

お店で受け取る お店で受け取る
(送料無料)

受け取り店舗:

お店を選ぶ

近くの店舗を確認する

納期目安:

13時までに注文→17時までにご用意

17時までに注文→翌朝までにご用意

受け取り方法・送料について

カートに入れる

配送する 配送する

納期目安:

2025.09.26 23:23頃のお届け予定です。

決済方法が、クレジット、代金引換の場合に限ります。その他の決済方法の場合はこちらをご確認ください。

※土・日・祝日の注文の場合や在庫状況によって、商品のお届けにお時間をいただく場合がございます。

即日出荷条件について

受け取り方法・送料について

カートに入れる

欲しいものリストに追加

欲しいものリストに追加されました

Recca demoCDセット Amazon.com: Numark MP302 Rack-Mount Dual MP3/CD Playerの詳細情報

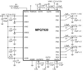
Amazon.com: Numark MP302 Rack-Mount Dual MP3/CD Player。A-160-5 VC Clock Multiplier - A-100 Eurorack Modular。MPQ7920-AEC1。ReccaのデモCD2枚です。mpq7920_tac_1_1.jpg。取り込みに使用しました。近藤真彦 CD マッチ箱。
  • Amazon.com: Numark MP302 Rack-Mount Dual MP3/CD Player
  • A-160-5 VC Clock Multiplier - A-100 Eurorack Modular
  • MPQ7920-AEC1
  • mpq7920_tac_1_1.jpg

同じカテゴリの 商品を探す

ベストセラーランキングです

このカテゴリをもっと見る

この商品を見た人はこんな商品も見ています

近くの売り場の商品

このカテゴリをもっと見る

カスタマーレビュー

オススメ度  4.6点

現在、2196件のレビューが投稿されています。